Close
Iluminação
Back
Controlo de iluminação
Acessórios para iluminação
Lâmpadas
Luminárias
Automação controlo e instrumentação
Back
Componentes industriais para baixa tensão
Relés
Plc ´s
Sensores
Sensores elétricos e pneumáticos
Comunicação e Segurança, Domótica
Back
Sinalização ótica e acústica
Sistemas de instalação bus
Sistemas de alarme, chamadas de emergência e sinalização
Sistemas de comunicação
Sistemas de proteção contra incêndio
Distribuição de Energia
Back
Disjuntores e fusíveis
Dispositivos para quadros de distribuição
Ligações à terra, pára-raios e descarregadores de sobretensões
Quadros de distribuição
Sistemas de distribuição de energia
Armários/quadros elétricos
Bloco de terminais
Dispositivos de contagem
Dispositivos de segurança
Invólucros/caixas de contadores
Electrodomésticos
Back
Eletrónica de consumo
Electrónica, Informática e Telecomunicações
Back
Antenas e tecnologia satélite
Dados e telecomunicações
Sistemas de telecomunicações para empresas
Máquinas e Ferramentas
Back
Aparelhos de teste e medição
Ferramentas (compressão, corte e isolamento)
Ferramentas de mão
Baterias, carregadores e cabos
Ferramentas elétricas e acessórios
Material de Instalação
Back
Acessórios para colunas
Aparelhos de fixação
Calha de parede e teto
Canalização enterrada
Dispositivos de ligação
Material de isolamento e ligação para instalações
Tomadas e interruptores domésticos
Sistema de calhas
Tomadas industriais/especiais
Tubos
Acessórios para enfiamento de cabos e condutores
Acessórios de instalação para cabos e tubos
Ligadores
Sistemas de mangueiras de proteção
Caminho de cabos
Sistemas de ligação para instalação em edifícios
Aquecimento, Ventilação e Ar Condicionado
Back
Equipamentos de medição e processamento
Aquecimento residencial
Sistemas de água quente
Válvulas e torneiras
Acessórios
Pressão aumento/redução
Unidades de entrada e extração de ar
Dispositivos de medição e controlo
Cabos e Condutores
Back
Cabos
Produção de Energia
Back
Energia renovável
A minha conta
Registe-se
Iniciar sessão
Lista de Desejos
(0)
Comparar lista de produtos
(0)
items
Você não tem itens no seu carrinho de compras.
Categorias
Pesquisar
Menu
Carrinho de compras
Filters
Personal menu
Preferências
Pesquisar
Início
/
Iluminação
/
Controlo de iluminação
/
PTO 100/220-240 3DIM
Artigo anterior
PTI 150/220-240 I
Artigo seguinte
PTO 150/220-240 3DIM
Fabricante:
Osram
PTO 100/220-240 3DIM
Seja o primeiro a avaliar este produto
261,80 € excl imposto
.
SKU:
10510457
Número de peça do fabricante:
4008321956361
GTIN:
4008321956361
Qty:
Comprar
Adicionar a lista de desejos
Adicionar à lista de comparação
Enviar a um amigo
Partilhar:
PDF
Product detail file
Descrição
Especificações
Comentários
Contactos
.
Especificações dos produtos
Comprimento
158.00mm
Grau de proteção (IP)
IP20
Altura
42.50mm
Largura
94.00mm
Regulação DALI
Não
Regulação RF
Não
Regulação Zigbee
Não
Modelo
Eletrónico
Invólucro
Caixa de plástico
Com alívio de tensão
Não
Compatível com Alexa da Amazon
Não
Compatível com IFTTT
Não
Compatível com o Google Assistant
Não
Compatível com o HomeKit da Apple
Não
Modelo para múltiplas potências
Não
Para lâmpada do tipo HI
Não
Para lâmpada do tipo HS
Não
Para lâmpada do tipo LS
Não
Para lâmpada do tipo T16
Não
Para lâmpada do tipo T16-R
Não
Para lâmpada do tipo T26
Não
Para lâmpada do tipo T38
Não
Para lâmpada do tipo T7
Não
Para lâmpada do tipo TC-D
Não
Para lâmpada do tipo TC-DD
Não
Para lâmpada do tipo TC-DEL
Não
Para lâmpada do tipo TC-L
Não
Para lâmpada do tipo TC-S
Não
Para lâmpada do tipo TC-T
Não
Para lâmpada do tipo TC-TEL
Não
Para lâmpada do tipo T-R
Não
Para lâmpada do tipo T-U
Não
Para tipo de lâmpada TC-F
Não
Para tipo de lâmpada TC-QEL
Não
Para tipo de lâmpada TC-SEL
Não
Adequado para potência da lâmpada (1 lâmpada)
0 .. 1W
Para lâmpada do tipo HM
Sim
Adequado para número de lâmpadas
1 .. 1
Apropriado para a potência da lâmpada
106 .. 106W
Regulação 0-10 V
Não
Regulação 1-10 V
Não
Regulação DMX
Não
Regulação por potenciómetro (integrado)
Não
Regulação GPRS
Não
Regulação LineSwitch
Sim
Regulação por sistema de propriedade do fabricante
Não
Regulação por modulação de tensão da rede
Não
Regulação por corte de fase descendente
Não
Regulação por corte de fase ascendente
Não
Regulação programável
Sim
Regulação por redução da onda sinusoidal
Não
Regulação Touch and Dim
Não
Regulação com botão de pressão
Não
Sem função de regulação
Não
Regulação DSI
Não
Escreva sua própria avaliação
Apenas utilizadores registados podem escrever análises
Título da análise:
*
Texto de revisão:
*
Classificação:
Mau
Excelente
Enviar avaliação
Seu nome
*
Seu e-mail
*
Questão
*
Enviar
Certificados
Declaração REACH
Declaração CoC (Declaração de Conformidade)
Declaração CoC (Declaração de Conformidade)
Declaração CoC (Declaração de Conformidade)
Declaração CoC (Declaração de Conformidade)
Ficheiros técnicos
Folha de dados do produto
Folha de dados do produto
Instruções de uso
Instruções de uso
Ficha Técnica do Produto
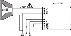
Esquema Electrico
Esquema Electrico
Esquema Electrico
Esquema Electrico
Ficha Técnica Ledvance
.
Especificações dos produtos
Comprimento
158.00mm
Grau de proteção (IP)
IP20
Altura
42.50mm
Largura
94.00mm
Regulação DALI
Não
Regulação RF
Não
Regulação Zigbee
Não
Modelo
Eletrónico
Invólucro
Caixa de plástico
Com alívio de tensão
Não
Compatível com Alexa da Amazon
Não
Compatível com IFTTT
Não
Compatível com o Google Assistant
Não
Compatível com o HomeKit da Apple
Não
Modelo para múltiplas potências
Não
Para lâmpada do tipo HI
Não
Para lâmpada do tipo HS
Não
Para lâmpada do tipo LS
Não
Para lâmpada do tipo T16
Não
Para lâmpada do tipo T16-R
Não
Para lâmpada do tipo T26
Não
Para lâmpada do tipo T38
Não
Para lâmpada do tipo T7
Não
Para lâmpada do tipo TC-D
Não
Para lâmpada do tipo TC-DD
Não
Para lâmpada do tipo TC-DEL
Não
Para lâmpada do tipo TC-L
Não
Para lâmpada do tipo TC-S
Não
Para lâmpada do tipo TC-T
Não
Para lâmpada do tipo TC-TEL
Não
Para lâmpada do tipo T-R
Não
Para lâmpada do tipo T-U
Não
Para tipo de lâmpada TC-F
Não
Para tipo de lâmpada TC-QEL
Não
Para tipo de lâmpada TC-SEL
Não
Adequado para potência da lâmpada (1 lâmpada)
0 .. 1W
Para lâmpada do tipo HM
Sim
Adequado para número de lâmpadas
1 .. 1
Apropriado para a potência da lâmpada
106 .. 106W
Regulação 0-10 V
Não
Regulação 1-10 V
Não
Regulação DMX
Não
Regulação por potenciómetro (integrado)
Não
Regulação GPRS
Não
Regulação LineSwitch
Sim
Regulação por sistema de propriedade do fabricante
Não
Regulação por modulação de tensão da rede
Não
Regulação por corte de fase descendente
Não
Regulação por corte de fase ascendente
Não
Regulação programável
Sim
Regulação por redução da onda sinusoidal
Não
Regulação Touch and Dim
Não
Regulação com botão de pressão
Não
Sem função de regulação
Não
Regulação DSI
Não